>
>
>
>
>
>
>
通过低至100Hz的分辨率提升对信号的分辨力
DSA700采用数字中频技术,使其拥有低至100Hz的分辨率带宽,可以有效区分相邻等幅信号,提高信号的区分能力。
>
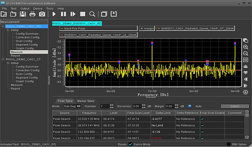
提供EMI预兼容测试发现设计中的问题
DSA700拥有EMI滤波器(6 dB)与准峰值检波器,使EMI预测试/诊断更为准确,更可使用配套软件完成完整测试和生成报告
>
优异的本底噪声减少对微弱信号测试的影响
微弱信号的测试容易受到频谱仪本身的本底噪声影响。DSA700系列显示平均噪声电平低至-130dBm(归一化到100Hz),可以有效保证对微弱信号的测试能力。
>
>
通过快速捕获功能完成ASK/FSK信号抓取
汽车遥控钥匙,TPMS胎压模块及小无线模块等通常使用ASK/FSK调制。DSA700可通过SSC-DSA功能扩展来完成ASK/FSK信号的抓取,并且内置2FSK测试功能,可直接获取其中心频率、功率及偏移等参数。
功能升级
SSC-DSA
2FSK
¥ 1480(含税)
AMK-DSA800
高级测量模块
¥ 3300(含税)
EMI-DSA800
EMI滤波器和准峰值检波器套件
¥ 3980(含税)
配件
USB-GPIB
通过USB Host扩展GPIB接口
¥ 1950(含税)
ATT03301H
30dB高功率衰减器,最大功率为100W
¥ 1600(含税)
RF CATV Kit
包括:50Ω至75Ω适配器(2pcs)
¥ 2900(含税)
RF Attenuator Kit
包括:6dB衰减器(1pcs),10dB衰减器(2pcs)
¥ 3600(含税)
RF Adaptor Kit
"包括: N阴头-N阴头适配器(1pcs),N阳头-N阳头适配器(1pcs),N阳头-SMA阴头适配器(2pcs),N阳头-BNC阴头适配器(2pcs),SMA阴头-SMA阴头适配器(1pcs),SMA阳头-SMA阳头适配器(1pcs),BNC T型适配器(1pcs),50Ω SMA负载(1pcs),50Ω BNC阻抗适配器(1pcs)"
¥ 2200(含税)
CB-NM-SMAM-75-L-12G
N(M)-SMA(M) RF Cable
¥ 1400(含税)
CB-NM-NM-75-L-12G
N(M)-N(M) RF Cable
¥ 1400(含税)
NFP-3
近场探头,频率范围:30 MHz 至3 GHz
¥ 2990(含税)
DSA Utility Kit
包括:N-SMA线缆,BNC-BNC线缆,N-BNC适配器,N-SMA 适配器,75Ω-50Ω适配器,900 MHz/1.8 GHz天线(2pcs),2.4GHz天线(2pcs)
¥ 4900(含税)
上位机选件
S1210
EMI预测试软件
¥ 2990(含税)
Ultra Spectrum
DSA上位机软件
¥ 650(含税)
固件下载
- 名称
- 版本
- 发布时间
- 下载
-
DSA700固件升级DSA700固件升级 - 00.01.18.00.02
- 2020-02-25
-
>
点击下载
软件下载
- 名称
- 版本
- 发布时间
- 下载
-
S1210 EMI预一致性测试软件S1210 EMI预一致性测试软件 - V00.06.00.02
- 2021-10-22
-
>
点击下载
-
S1210 EMI预一致性测试软件 帮助文档S1210 EMI预一致性测试软件 帮助文档 - V1.0
- 2021-10-26
-
>
点击下载
-
TX1000软件TX1000软件 - 00.01.00.02
- 2021-10-26
-
>
点击下载
-
Ultra Spectrum软件Ultra Spectrum软件 - 00.01.00.29
- 2021-10-26
-
>
点击下载
-
Ultra Sigam 帮助文档Ultra Sigam 帮助文档 - V1.0
- 2021-10-26
-
>
点击下载
-
Ultra Sigam 软件安装包Ultra Sigam 软件安装包 - 00.01.06.01
- 2021-10-26
-
>
点击下载
官网所有商品价格仅供参考,实际价格以RIGOLAG尊龙商城结算为准。
>
>
>
id="iconIndex0"
class="g_other11">
id="iconIndex1"
class="g_other22">
>
>
>
>
>
>
>
>
>
>
>
>
>
>
>
>
>
>
>
>
>
>
>
>
>
>
>
>
>
>
>
>
>
>
>